Doughty T34000 Wall Bracket (Angle Iron) Doughty T34000 Wall Bracket (Angle Iron)

Doughty T34000 Wall Bracket (Angle Iron)

Varenr: 104910
Alt. varenr: T34000
eks. mva.685,-
-+
Bestilles opp ved ordre

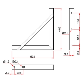
Angle iron brackets are used for heavy duty applications.

T34000 is slotted to accept a T30800 saddle clamp.

SWL: 30Kg